SXT-CL-EXT-D25-200-T25
Art-Nr.: 10.07.13.00227
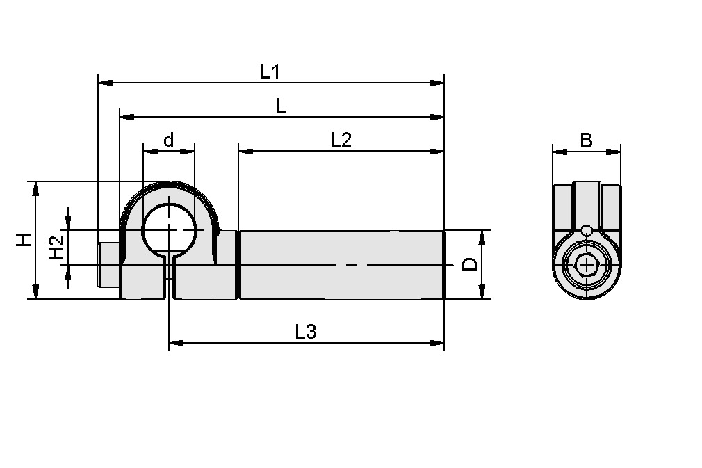
Schwenkarm mit Verlängerung zur Anbindung von Vakuum-Komponenten an Rohr-Toolings
| Außendurchmesser D | 25 (mm) |
| Innendurchmesser d | 25 (mm) |
| Länge L3 | 200.5 (mm) |
| Normteilewerkstoff | Aluminium |
| Anbindung 1 | D25 |
Konstruktionsdaten
Konstruktionsdaten
| Attribut | Wert |
|---|---|
| B | 25 mm |
| D | 25 mm |
| d | 25 mm |
| H | 53 mm |
| H2 | 19,5 mm |
| L | 221,5 mm |
| L1 | 222 mm |
| L2 | 175 mm |
| L3 | 200,5 mm |
Technische Daten
Technische Daten
| Attribut | Wert |
|---|---|
| Normteilewerkstoff | Aluminium |
| Bauform | Tube |
| Gewicht | 240 g |
| Produktfamilie | SXT |
Leistungsdaten
Leistungsdaten
CAD Daten
CAD Daten
CAD-Modell zum Download
Nach dem Klick auf den Download-Button können Sie das CAD-Modell in verschiedenen Dateiformaten herunterladen. Falls die Vorschau auf dieser Seite nicht korrekt angezeigt wird, klicken Sie bitte auf den "Neu laden"-Button.
Dokumentation
Dokumentation
