Schmalz

Ordering information

Clamps with extension SXT-CL-EXT are delivered as a ready-to-connect product.

Please try again later or contact your local contact person.

SXT-CL-EXT-A2-300-T25

Part no.: 10.07.13.00222

Swivel arm with extension to connect vacuum-components with round toolings

Outside diameter D25 (mm)
Internal diameter d19 (mm)
Length L3300.5 (mm)
MaterialAluminum
Connection 1Bolt with slot Ø19mm
Design Data
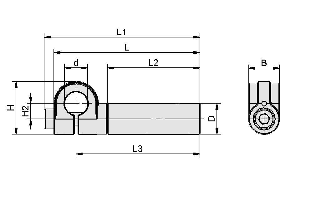
Design image
Attribute Value
B 25  mm
D 25  mm
d 19  mm
H 43  mm
H2 12.5  mm
L 318.5  mm
L1 326.5  mm
L2 275  mm
L3 300.5  mm
Technical Data
Attribute Value
Material Aluminum
Shape Tube
Weight 280  g
Product family SXT
Performance Data
CAD data

Live CAD-Model easy-to-use

After clicking on the download button, you can download the CAD model in various file formats. If the preview is not displayed correctly on this page, please click on the "Reload" button.

Documentation

Schmalz Companies

Select your Schmalz Company in one of the following regions:

Regions

Your region is not listed?

Schmalz maintains an international sales network with sales partners in over 80 countries. Please select a language for our international website.

The URL you are trying to access is not in the correct language or country context.

The store channel associated with your account does not match the channel of the requested URL. To view prices or place an order, please switch to your user-specific channel.

0 products successfully added to cart

Go to shopping cart