FMP-SW90 640 5R36 SPB2-20P G32
N° de artículo: 10.01.38.00485
Sistemas de garra de vacio para superficies con generador de vacío externo y resistencias al flujo
| Longitud L | 640 (mm) |
| Anchura B | 130 (mm) |
| Disposición | 5R36 |
| Accesorios de forma | Recto |
| Diámetro exterior D | 32 (mm) |
| Peso | 3.5 (kg) |
| Familia de productos | FMP |
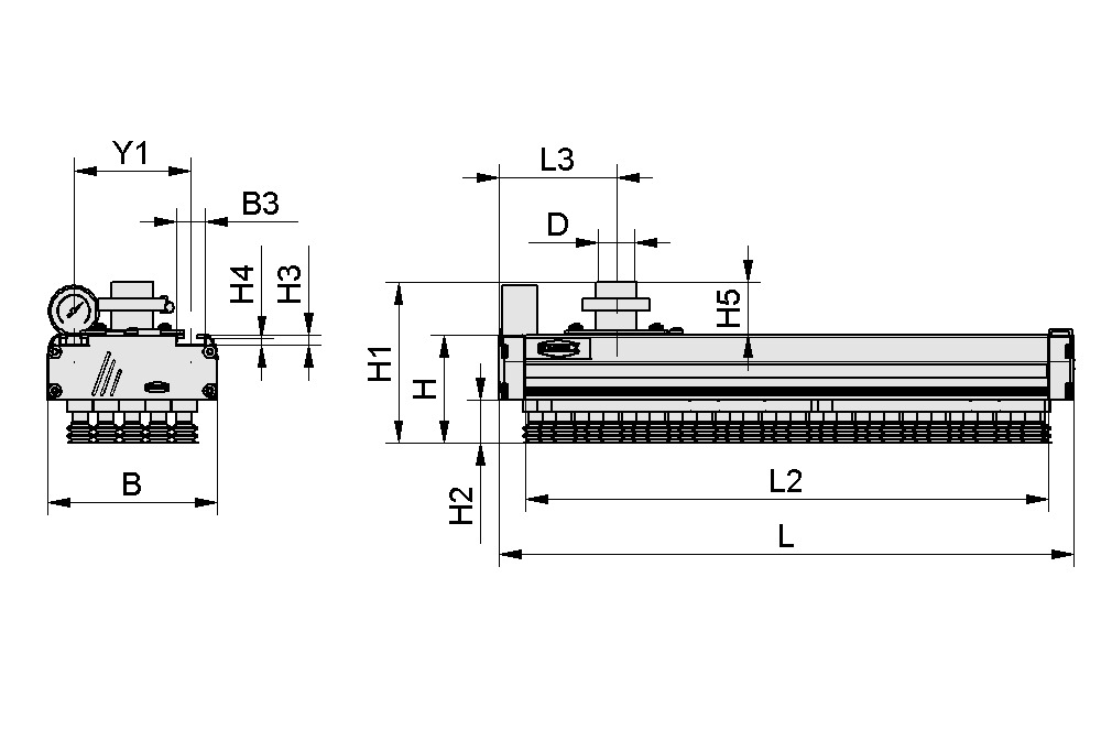
Datos de diseño
Datos de diseño
| Atributo | Valor |
|---|---|
| B | 130 mm |
| B3 | 21,6 mm |
| D | 32 mm |
| H | 82,7 mm |
| H1 | 123,2 mm |
| H2 | 33 mm |
| H3 | 7,7 mm |
| H4 | 5,5 mm |
| H5 | 41 mm |
| L | 640 mm |
| L2 | 600 mm |
| L3 | 90 mm |
| Y1 | 90 mm |
| Tipo de válvula | SW |
Datos técnicos
Datos técnicos
| Atributo | Valor |
|---|---|
| Disposición | 5R36 |
| Número de células de aspiración | 82 |
| Fuerza de aspiración a -250 mbar | 210 N |
| Peso | 3,5 kg |
| Elemento de hermetizado | Ventosas |
| Capacidad aspiración para PU = -0,25 bar | 450 l/min |
| Familia de productos | FMP |
Datos CAD
Datos CAD
Live CAD-Model fácil de usar
Tras hacer clic en el botón de descarga, podrá descargar el modelo CAD en varios formatos de archivo. Si la vista previa no se muestra correctamente en esta página, haga clic en el botón "Recargar".
Documentación
Documentación
































