FG 88 NBR-55 N019
N° de artículo: 10.01.06.00143
Ventosa de fuelle (redonda) para piezas de superficies muy desiguales
| Tamaño | 88 |
| Material de ventosa | Caucho nitrílico NBR |
| Dureza del material [Shore A] | 55 (Shore A) |
| Número de pliegues | 2.5 |
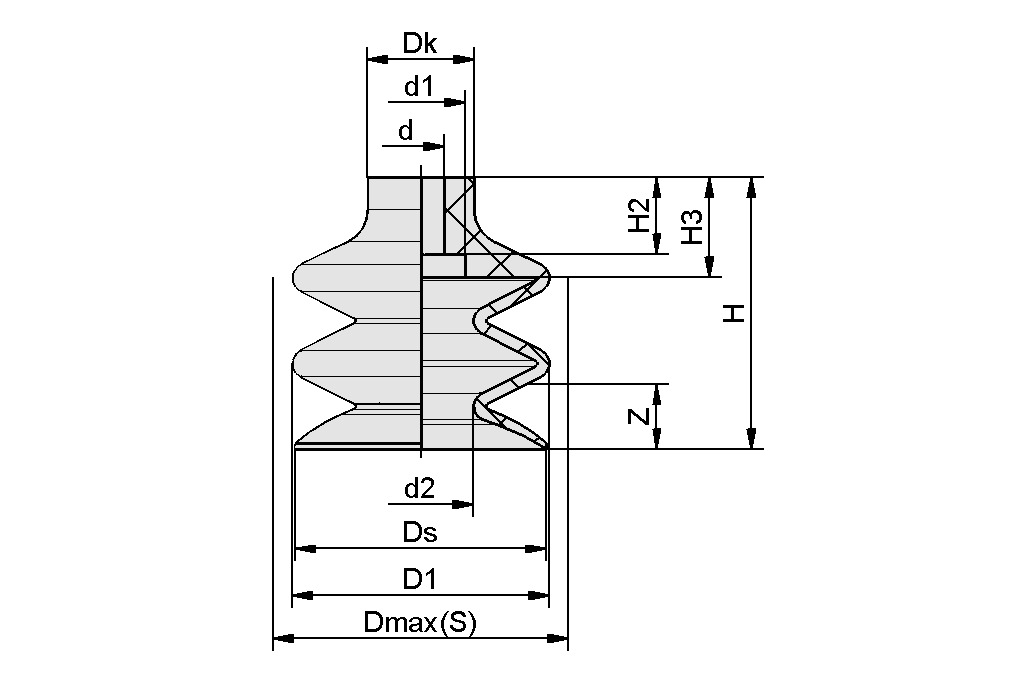
Datos de diseño
Datos de diseño
| Atributo | Valor |
|---|---|
| d | 11,7 mm |
| d1 | 25 mm |
| d2 | 29,3 mm |
| D1 | 88,2 mm |
| Dk | 24,7 mm |
| Dmax(S) | 95,5 mm |
| Ds | 89 mm |
| H | 86,5 mm |
| H2 | 19,7 mm |
| H3 | 26 mm |
| Z (Recorrido) | 34 mm |
Datos técnicos
Datos técnicos
| Atributo | Valor |
|---|---|
| Fuerza de aspiración (-600 mbar) | 40,46 N |
| Fuerza de arranque | 286 N |
| Volumen | 143,67 cm³ |
| Radio de la pieza mín. (convexo) | 100 mm |
| Tamaño | 88 |
| Familia de boquillas | N 019 |
| Número de pliegues | 2,5 |
| Material de ventosa | Caucho nitrílico NBR |
| Dureza del material [Shore A] | 55 Shore A |
| Peso | 165,7 g |
| Familia de productos | FG |
Datos CAD
Datos CAD
Live CAD-Model fácil de usar
Tras hacer clic en el botón de descarga, podrá descargar el modelo CAD en varios formatos de archivo. Si la vista previa no se muestra correctamente en esta página, haga clic en el botón "Recargar".
Documentación
Documentación


