FGA 22 SI-55 N016
N° de artículo: 10.01.06.00100
Ventosa de fuelle (redonda) con adaptación óptima a superficies desniveladas
| Tamaño | 22 |
| Material de ventosa | Silicona SI |
| Dureza del material [Shore A] | 55 (Shore A) |
| Características del material | Compatible con la FDA |
| Número de pliegues | 1.5 |
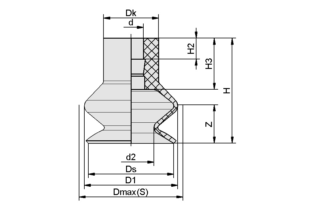
Datos de diseño
Datos de diseño
| Atributo | Valor |
|---|---|
| d | 4,5 mm |
| d2 | 11,7 mm |
| D1 | 24,2 mm |
| Dk | 10 mm |
| Dmax(S) | 25 mm |
| Ds | 21,5 mm |
| H | 19 mm |
| H2 | 3,8 mm |
| H3 | 9,1 mm |
| Z (Recorrido) | 6 mm |
Datos técnicos
Datos técnicos
| Atributo | Valor |
|---|---|
| Número de pliegues | 1,5 |
| Fuerza de aspiración (-600 mbar) | 5,7 N |
| Tamaño | 22 |
| Material de ventosa | Silicona SI |
| Peso | 2 g |
| Radio de la pieza mín. (convexo) | 25 mm |
| Familia de productos | FGA |
Datos CAD
Datos CAD
Live CAD-Model fácil de usar
Tras hacer clic en el botón de descarga, podrá descargar el modelo CAD en varios formatos de archivo. Si la vista previa no se muestra correctamente en esta página, haga clic en el botón "Recargar".
Documentación
Documentación








