EMVP 25 24V-DC 3/2 IMP
Réf. article: 10.05.02.00152
Electrovanne EMVP pour le vide, à précommande pneumatique
| Taille | 25 (mm) |
| Débit nominal à 0,1 bar | 90.1 (m³/h) |
| Tension DC | 24 V - DC |
| Fonction vanne | 3/2 vanne à voies |
| Vanne de commande | Vanne d'impulsion |
| Filetage du raccordtage | G1"-F |
| Plage de pression (pression de service) [bar] | -0,95 ... 0,00 bar |
| Poids propre | 0.68 (kg) |
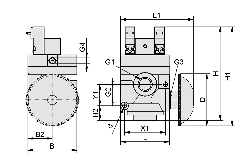
Données de construction
Données de construction
| Attribut | Valeur |
|---|---|
| B | 94 mm |
| B2 | 47 mm |
| d | 8 mm |
| D | 80 mm |
| G1 | G1"-F |
| G2 | G1"-F |
| G3 | G1"-F |
| G4 | G1/8"-F |
| H | 166,8 mm |
| H1 | 173,8 mm |
| H2 | 22 mm |
| L | 94 mm |
| L1 | 132 mm |
| X1 | 76 mm |
| Y1 | 37 mm |
Données techniques
Données techniques
| Attribut | Valeur |
|---|---|
| Taille | 25 mm |
| Vanne de commande | Vanne d'impulsion |
| Débit nominal à 0,1 bar | 90,1 m³/h |
| Débit nominal à 0,1 bar | 1 502 l/min |
| Plage de pression (pression de service) [bar] | -0,95 ... 0,00 bar |
| Consommation de puissance DC | 7 W |
| Tension DC | 24 V - DC |
| Temps de fermeture | 100 ms |
| Poids propre | 0,68 kg |
| Famille de produits | EMVP |
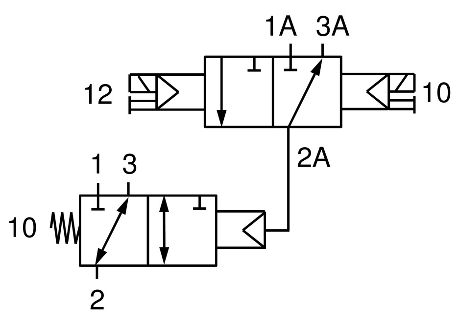
Schéma de connexion
Schéma de connexion
Données CAO
Données CAO
Modèle CAO en direct facile à utiliser
Après avoir cliqué sur le bouton de téléchargement, vous pouvez télécharger le modèle CAO dans différents formats de fichiers. Si l'aperçu ne s'affiche pas correctement sur cette page, veuillez cliquer sur le bouton "Recharger".
Documentation
Documentation





