FSTI G3/8-AG G1/8-IG 10
Część nr.: 10.01.02.00851
Króciec sprężynujący z zabudowanym tłumieniem tłumieniem
| Suction cup connection | G3/8"-M |
| Product family | FSTI |
| Spring stroke Z | 10 (mm) |
| Tightening torque (max) | 40 (Nm) |
Dane projektowe
Dane projektowe
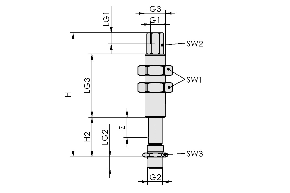
| Atrybut | Wartość |
|---|---|
| G1 | G1/8"-F |
| G2 | G3/8"-M |
| G3 | M18x1.5-M |
| H | 82,5 mm |
| H2 | 22,5 mm |
| LG1 | 12 mm |
| LG2 | 9 mm |
| LG3 | 41 mm |
| SW1 | 27 mm |
| SW2 | 13 mm |
| SW3 | 19 mm |
| Z (Stroke) | 10 mm |
Dane techniczne
Dane techniczne
| Atrybut | Wartość |
|---|---|
| Spring rate | 0,1 N/mm |
| Spring pretension | 7,08 N |
| Spring force center | 7,57 N |
| Vertical load | 1000 N |
| Horizontal load | 700 N |
| Tightening torque (max) | 40 Nm |
| Weight | 150 g |
| Operating temperature | 0 ... 80 °C |
| Product family | FSTI |
Dane CAD
Dane CAD
Łatwy w użyciu model CAD na żywo
Po kliknięciu przycisku pobierania można pobrać model CAD w różnych formatach plików. Jeśli podgląd nie jest wyświetlany poprawnie na tej stronie, kliknij przycisk "Przeładuj".
Dokumentacja
Dokumentacja
























