Schmalz

Consignes de commande

L'éjecteur compact SCPM est livré prêt à être raccordé (sans câble de raccordement).


Pièces de rechange disponibles : silencieux, élément filtrant
Accessoires disponibles : câble de raccordement, fiche de connexion

Retour à la famille de produits
Veuillez réessayer plus tard ou contacter votre personne de contact locale.

SCPMc 03 S01 NC JST-5 PNP A24

Réf. article: 10.02.02.07220

Mini Compact Ejector with air-saving function and display with réduite

Taille de buse0,3 mm
ConnexionFlexible D4(1)-D4(2)
Capacité d'aspiration (max.)2.2 (l/min)
Consommation d'air aspiration3.5 (l/min)
Niveau sonore libre51 (dB(A))
Plage de pression (pression de service) [bar]3,5 ... 6,0 bar
Vide max.870 (mbar)
Connexion électriqueConnecteur JST, 5 pol
Pressostat et vacuostat de type constructionContacteur PNP
Vanne de commandesans courant, fermé
Type de protection IPIP 40 (avec connecteur)
Données de construction
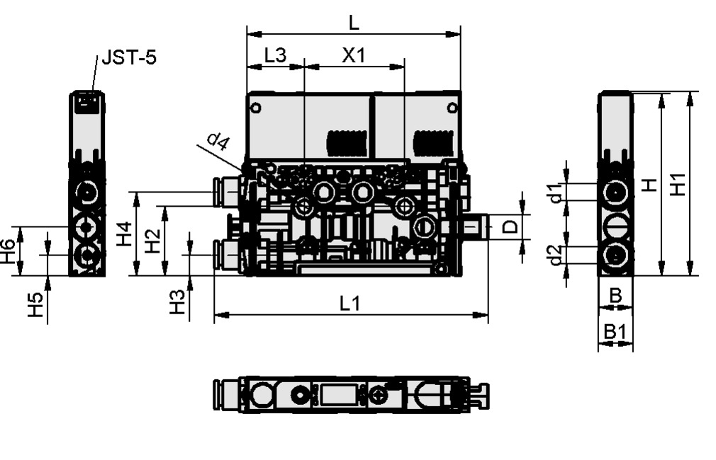
Design image
Attribut Valeur
B 12  mm
B1 12,5  mm
D 9  mm
d1 4,2  mm
d2 4,2  mm
d4 4,3  mm
H 65,3  mm
H1 66  mm
H2 24,95  mm
H3 7,5  mm
H4 30  mm
H5 7,5  mm
H6 17,5  mm
L 76,5  mm
L1 95,3  mm
L2 11,4  mm
L3 20,5  mm
X1 36  mm
Données techniques
Attribut Valeur
Taille de buse 0,3 mm
Pressostat et vacuostat de type construction Contacteur PNP
Vanne de commande NC
Connexion électrique JST-5
Degré d'évacuation 87  %
Capacité d'aspiration (max.) 2,2  l/min
Consommation d'air aspiration 3,5  l/min
Consommation d'air max. soufflée 10  l/min
Vide max. 870  mbar
Pression de service optimale 4  bar
Plage de pression (pression de service) [bar] 3,5 ... 6,0 bar
Diamètre intérieur du tuyau recommandé air comprimé 2  mm
Diamètre intérieur du tuyau recommandé vide 2  mm
Température de travail 0 ... 50 °C
Poids propre 84  g
Famille de produits SCPMc
Données CAO

Modèle CAO en direct facile à utiliser

Après avoir cliqué sur le bouton de téléchargement, vous pouvez télécharger le modèle CAO dans différents formats de fichiers. Si l'aperçu ne s'affiche pas correctement sur cette page, veuillez cliquer sur le bouton "Recharger".

Documentation

Accessoires

Recommandations sur les produits

Schmalz Companies

Select your Schmalz Company in one of the following regions:

Regions

Your region is not listed?

Schmalz maintains an international sales network with sales partners in over 80 countries. Please select a language for our international website.

L'URL à laquelle vous essayez d'accéder n'est pas dans la bonne langue ou le bon contexte national.

Le canal du magasin associé à votre compte ne correspond pas au canal de l'URL demandée. Pour consulter les prix ou passer une commande, veuillez passer au canal qui vous est propre.

Produit ajouté avec succès au panier

Aller au panier