Schmalz

Ordering information

The suction cup OCR (elastomer part + connection element) is delivered assembled.

Back to product family
Please try again later or contact your local contact person.

  • NEW

OCR 35 CR-20 G1/4-AG

Part no.: 10.01.01.16074

Flat suction cup (round) for smooth or slightly rough surfaces

Size35
Suction cup materialChloroprene CR
Material hardness [Shore A]20 (Shore A)
ConnectionG1/4"-M
Design Data
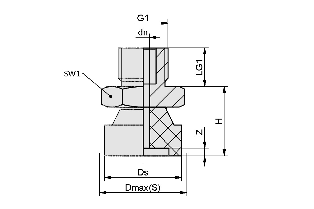
Design image
Attribute Value
Dmax(S) 35,5  mm
dn 5  mm
Ds 35  mm
G1 G1/4"-M
H 33,4  mm
LG1 11  mm
SW1 17  mm
Z (Stroke) 1,4  mm
Technical Data
Attribute Value
Size 35
Pull-off force 45  N
Workpiece radius min. (convex) 37,5  mm
Suction cup material Chloroprene CR
Material hardness [Shore A] 20  Shore A
Connection G1/4"-M
Weight 68,3  g
Documentation

Schmalz Companies

Select your Schmalz Company in one of the following regions:

Regions

Your region is not listed?

Schmalz maintains an international sales network with sales partners in over 80 countries. Please select a language for our international website.

The URL you are trying to access is not in the correct language or country context.

The store channel associated with your account does not match the channel of the requested URL. To view prices or place an order, please switch to your user-specific channel.

0 products successfully added to cart

Go to shopping cart