Schmalz

Vuelva a intentarlo más tarde o póngase en contacto con su persona de contacto local.

FG 32 SI-MD-55 N018

N° de artículo: 10.01.06.04526

Ventosa de fuelle (redonda) para piezas de superficies muy desiguales

Tamaño32
Material de ventosaSilicona SI metal detectable
Dureza del material [Shore A]55 (Shore A)
Características del materialCompatible con la FDA
Número de pliegues2.5
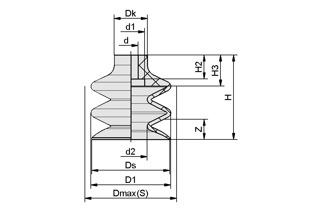
Datos de diseño
Design image
Atributo Valor
d 8  mm
d1 15  mm
d2 16  mm
D1 32,4  mm
Dk 18  mm
Dmax(S) 33,5  mm
Ds 32  mm
H 37,5  mm
H2 13  mm
H3 17  mm
Z (Recorrido) 15  mm
Nota: Tolerancias dimensionales permitidas para las piezas de elastómero según DIN ISO 3302-1 M3
Datos técnicos
Atributo Valor
Fuerza de aspiración (-600 mbar) 12,06  N
Fuerza de arranque 36,9  N
Volumen 9,77  cm³
Radio de la pieza mín. (convexo) 35  mm
Tamaño 32
Familia de boquillas N 018
Número de pliegues 2,5
Material de ventosa Silicona SI metal detectable
Dureza del material [Shore A] 55  Shore A
Peso 8,9  g
Familia de productos FG
Nota: Fuerza de aspiración: Los valores de la fuerza de aspiración son valores teóricos con un vacío de -0,6 bar y una superficie de la pieza seca, lisa y uniforme - se especifican sin factores de seguridad. Diámetro interior tubo flexible: El diámetro del tubo flexible recomendado se refiere a una longitud de tubo flexible de aprox. 2 m.
Datos CAD

Live CAD-Model fácil de usar

Tras hacer clic en el botón de descarga, podrá descargar el modelo CAD en varios formatos de archivo. Si la vista previa no se muestra correctamente en esta página, haga clic en el botón "Recargar".

Documentación

Schmalz Companies

Select your Schmalz Company in one of the following regions:

Regions

Your region is not listed?

Schmalz maintains an international sales network with sales partners in over 80 countries. Please select a language for our international website.

La URL a la que intenta acceder no está en el idioma o contexto de país correctos.

El canal de la tienda asociado a su cuenta no coincide con el canal de la URL solicitada. Para ver los precios o realizar un pedido, por favor, cambie a su canal específico de usuario.

0 productos añadidos correctamente a la cesta de la compra

Ir a la cesta