- NUEVO
FSG 42 SI-MD-55 G1/4-IG
N° de artículo: 10.01.06.05722
Ventosa de fuelle (redonda) para piezas de superficies muy desiguales
| Tamaño | 42 |
| Material de ventosa | Silicona SI metal detectable |
| Dureza del material [Shore A] | 55 (Shore A) |
| Características del material | Compatible con la FDA |
| Material de la boquilla | Aluminio |
| Conexión | G1/4"-HE |
| Número de pliegues | 2.5 |
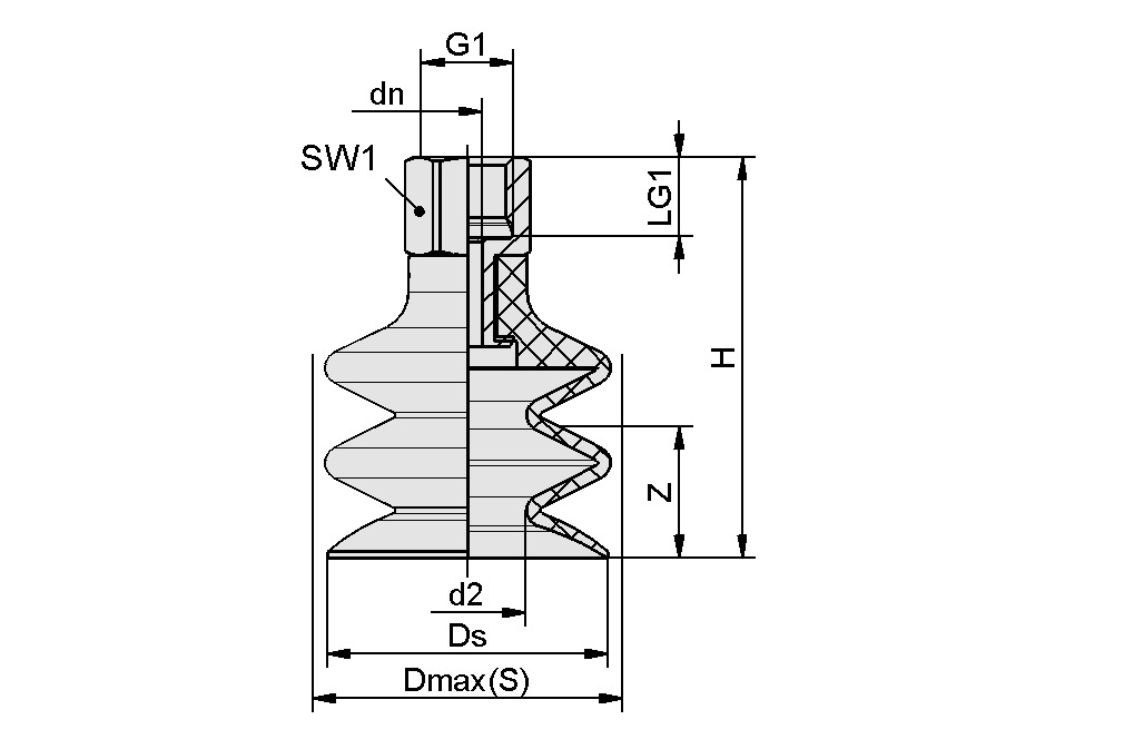
Datos de diseño
Datos de diseño
| Atributo | Valor |
|---|---|
| d2 | 17,8 mm |
| Dmax(S) | 45 mm |
| dn | 4,4 mm |
| Ds | 42,6 mm |
| G1 | G1/4"-HE |
| H | 61 mm |
| LG1 | 12 mm |
| SW1 | 17 mm |
| Z (Recorrido) | 20 mm |
Datos técnicos
Datos técnicos
| Atributo | Valor |
|---|---|
| Material de ventosa | Silicona SI metal detectable |
| Dureza del material [Shore A] | 55 Shore A |
| Tamaño | 42 |
| Número de pliegues | 2,5 |
| Conexión | G1/4-IG |
| Radio de la pieza mín. (convexo) | 75 mm |
| Volumen | 19,79 cm³ |
| Fuerza de aspiración (-600 mbar) | 14,93 N |
| Fuerza de arranque | 44 N |
| Diámetro interior del tubo flexible (recomendado) d | 6 mm |
| Peso | 27 g |
| Familia de productos | FSG |
Datos CAD
Datos CAD
Live CAD-Model fácil de usar
Tras hacer clic en el botón de descarga, podrá descargar el modelo CAD en varios formatos de archivo. Si la vista previa no se muestra correctamente en esta página, haga clic en el botón "Recargar".
Documentación
Documentación





