FGA 11 HT1-60 N016
Osanro: 10.01.06.01247
Bellows suction cup (round) with optimal adaptation to uneven surfaces
| Size | 11 |
| Suction cup material | High temperature material HT1 |
| Material hardness [Shore A] | 60 (Shore A) |
| Number of folds | 1.5 |
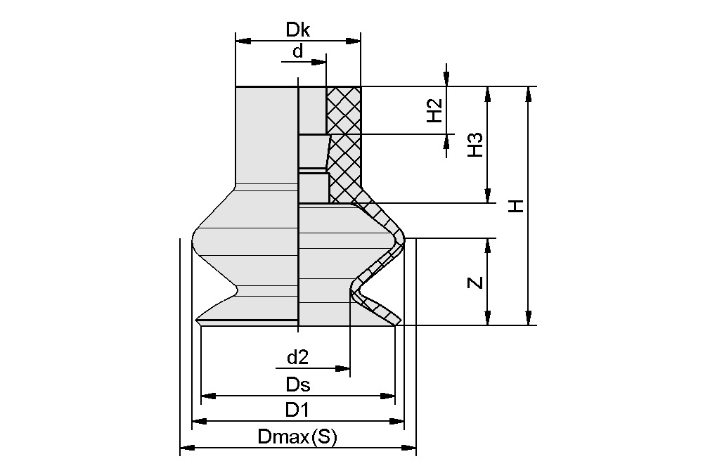
Suunnitteludata
Suunnitteludata
| Attribuutti | Arvo |
|---|---|
| d | 4,5 mm |
| d2 | 5,1 mm |
| D1 | 12 mm |
| Dk | 10 mm |
| Dmax(S) | 13 mm |
| Ds | 10,4 mm |
| H | 16 mm |
| H2 | 3,8 mm |
| H3 | 9,3 mm |
| Z (Stroke) | 4 mm |
Tekniset tiedot
Tekniset tiedot
| Attribuutti | Arvo |
|---|---|
| Number of folds | 1,5 |
| Suction force (-600mbar) | 1,2 N |
| Size | 11 |
| Suction cup material | High temperature material HT1 |
| Weight | 0,9 g |
| Workpiece radius min. (convex) | 10 mm |
| Product family | FGA |
CAD-tiedot
CAD-tiedot
Live CAD-malli helppokäyttöinen
Kun napsautat latauspainiketta, voit ladata CAD-mallin eri tiedostomuodoissa. Jos esikatselu ei näy oikein tällä sivulla, napsauta "Lataa uudelleen" -painiketta.
Dokumentointi
Dokumentointi




