SCPSc 2-09 G02 NC M12-5 PNP
Numero articolo: 10.02.02.07504
Espulsore compatto con controllo del risparmio d'aria e display in design sottile
| Diametro nominale | 2-09 |
| Connessione | G1/8"(1)-G1/8"(2) |
| Collegamento elettrico | Connectore M12, 5 pol |
| Capacità di aspirazione (max.) | 49.5 (l/min) |
| Consumo d'aria in aspirazione | 40.5 (l/min) |
| Campo di pressione (pressione di esercizio) [bar] | 3,0 ... 6,0 bar |
| Tipo di protezione IP | IP 65 (con connettore) |
| Vuoto max. | -850 (mbar) |
| Valvola di controllo | Chiuso senza corrente |
| Funzione dell'eiettore | Funzione risparmio aria digitale |
| Vacuostato in costruzione | Interruttore PNP |
Dati di costruzione
Dati di costruzione
| Attributo | Valore |
|---|---|
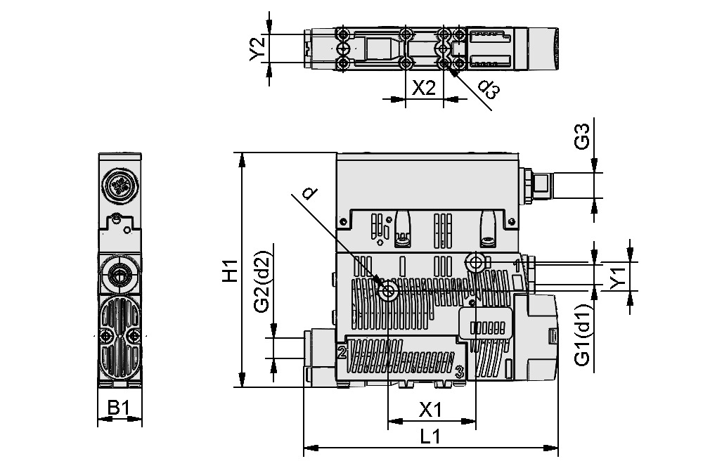
| B1 | 18,6 mm |
| d | 4,4 mm |
| d3 | 2,6 mm |
| G1 | G1/8"-IG |
| G2 | G1/8"-IG |
| G3 | M12x1-AG |
| H1 | 99 mm |
| L1 | 106 mm |
| L3 | 22 mm |
| X1 | 36,9 mm |
| X2 | 16 mm |
| Y1 | 12 mm |
| Y2 | 12 mm |
Dati tecnici
Dati tecnici
| Attributo | Valore |
|---|---|
| Diametro nominale | 2-09 |
| Grado di evacuazione | 85 % |
| Capacità di aspirazione (max.) | 3,05 m³/h |
| Capacità di aspirazione (max.) | 49,5 l/min |
| Consumo d'aria in aspirazione | 2,49 m³/h |
| Consumo d'aria in aspirazione | 40,5 l/min |
| Consumo d'aria da soffiare | 7,2 m³/h |
| Consumo d'aria massimo da soffiare | 120 l/min |
| Livello di pressione acustica libero | 73 dB(A) |
| Livello di pressione acustica aspirazione | 62 dB(A) |
| Campo di pressione (pressione di esercizio) [bar] | 3,0 ... 6,0 bar |
| Diametro interno del tubo flessibile aria compressa raccomandato | 4 mm |
| Diametro interno tubo flessibile raccomandato a vuoto | 4 mm |
| Peso | 0,2 kg |
| Temperatura d'intervento | 0 ... 50 °C |
| Campo di pressione (pressione di esercizio) [psi] | 43,5 ... 87,0 |
| Capacità di aspirazione (max.) | 1,75 cfm |
| Consumo d'aria in aspirazione | 1,43 cfm |
| Consumo d'aria da soffiare | 4,24 cfm |
| Vuoto max. | -25,1 inHg |
| Valvola di controllo | Chiuso senza corrente |
| Famiglia di prodotti | SCPSc |
Dati delle prestazioni
Dati delle prestazioni
Dati CAD
Dati CAD
Modello CAD dal vivo facile da usare
Facendo clic sul pulsante di download, è possibile scaricare il modello CAD in vari formati di file. Se l'anteprima non viene visualizzata correttamente in questa pagina, fare clic sul pulsante "Ricarica".
E-Plan Macro
E-Plan Macro
Documentazione
Documentazione



















