SBP-C 15 G02 NO A
Part no.: 10.02.01.00626
Basic ejector "BASE PUMP-controlled" with very light construction
| Nozzle diameter | 1.5 (mm) |
| Degree of evacuation | 85 (%) |
| Connection | G1/8"(1)-G1/8"(2) |
| Optimal operating pressure | 5 (bar) |
| Suction rate (max.) | 71 (l/min) |
| Air consumption suction | 118 (l/min) |
| Control valve | Normally open |
| Shape compact ejectors | Blow-off function |
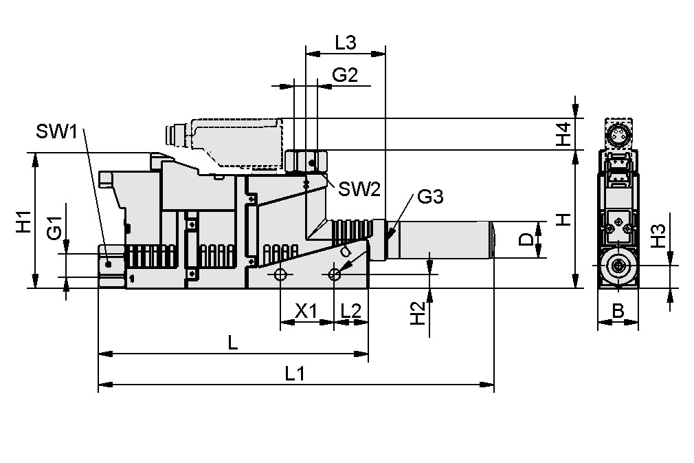
Design Data
Design Data
| Attribute | Value |
|---|---|
| B | 15 mm |
| d | 4,2 mm |
| D | 13,5 mm |
| G1 | G1/8"-F |
| G2 | G1/8"-F |
| G3 | G1/8"-F |
| H | 51 mm |
| H1 | 50 mm |
| H2 | 5,2 mm |
| H3 | 8,5 mm |
| L | 106 mm |
| L1 | 146 mm |
| L2 | 19 mm |
| L3 | 29,5 mm |
| SW1 | 14 mm |
| SW2 | 14 mm |
| X1 | 20 mm |
Technical Data
Technical Data
| Attribute | Value |
|---|---|
| Nozzle diameter | 1,5 mm |
| Degree of evacuation | 85 % |
| Suction rate (max.) | 4,3 m³/h |
| Suction rate (max.) | 71 l/min |
| Air consumption suction | 7,1 m³/h |
| Air consumption suction | 118 l/min |
| Sound pressure level free | 72 dB(A) |
| Sound pressure level suction | 65 dB(A) |
| Pressure range (operating pressure) [bar] | 3.0 ... 6.0 bar |
| Optimal operating pressure | 5 bar |
| Recommended hose internal diameter compressed air | 4 mm |
| Recommended hose internal diameter vacuum | 6 mm |
| Weight | 70 g |
| Operating temperature | 0 ... 50 °C |
| Pressure range (operating pressure) [psi] | 43.5 ... 87.0 |
| Optimal pressure | 72,5 psi |
| Suction rate (max.) | 2,51 cfm |
| Air consumption suction | 4,17 cfm |
| Air consumption blow-off | 1,06 cfm |
| Product family | SBP-C |
Performance Data
Performance Data
CAD data
CAD data
Live CAD-Model easy-to-use
After clicking on the download button, you can download the CAD model in various file formats. If the preview is not displayed correctly on this page, please click on the "Reload" button.
Documentation
Documentation





