Schmalz

Ordering information

The suction cup SFF / SFB1 (elastomer part + connection nipple) is supplied assembled.

 

Available spare parts: suction cup SFF / SFB1, connection nipple SC

Back to product family
Please try again later or contact your local contact person.

SFB1 15 HT1-60 NPT1/4-IG

Part no.: 10.01.06.05110

Bellows suction cup (round) for gentle handling of thin and flexible workpieces

Size15
Suction cup materialHigh temperature material HT1
Material hardness [Shore A]60 (Shore A)
Product familySFB1
Design Data
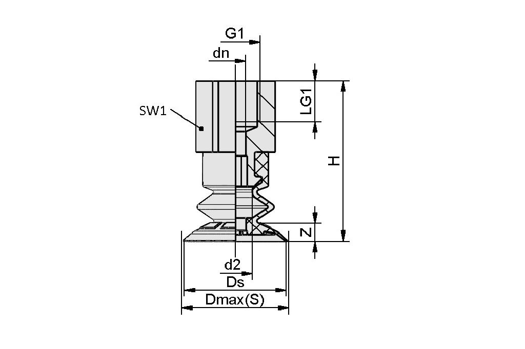
Design image
Attribute Value
Dmax(S) 16  mm
Ds 15  mm
d2 4.7  mm
dn 4.1  mm
G1 NPT1/4-IG
LG1 12  mm
H 33.3  mm
SW1 17  mm
Z (Stroke) 4  mm
Technical Data
Attribute Value
Pull-off force 6.1  N
Suction force (-600mbar) 1  N
Volume 0.8  cm³
Size 15
Number of folds 1.5
Suction cup material High temperature material HT1
Material hardness [Shore A] 60  Shore A
Product family SFB1
Note: Suction force: The suction force values are theoretical values at -0.6 bar vacuum and a dry, smooth and even workpiece surface – they are specified without safety factors. Hose inner diameter: The recommended hose diameter refers to a hose length of approx. 2 m
Documentation

Spare parts

Schmalz Companies

Select your Schmalz Company in one of the following regions:

Regions

Your region is not listed?

Schmalz maintains an international sales network with sales partners in over 80 countries. Please select a language for our international website.

The URL you are trying to access is not in the correct language or country context.

The store channel associated with your account does not match the channel of the requested URL. To view prices or place an order, please switch to your user-specific channel.

0 products successfully added to cart

Go to shopping cart