PFYN 8 FPM-65 M5-IG
Part no.: 10.01.01.00125
Flat suction cup (round) for smooth or slightly rough surfaces
Size | 8 |
Suction cup material | Fluorine rubber FPM |
Material hardness [Shore A] | 65 (Shore A) |
Material property | non-marking |
Nipple material | Aluminum |
Vacuum connection | M5-F |
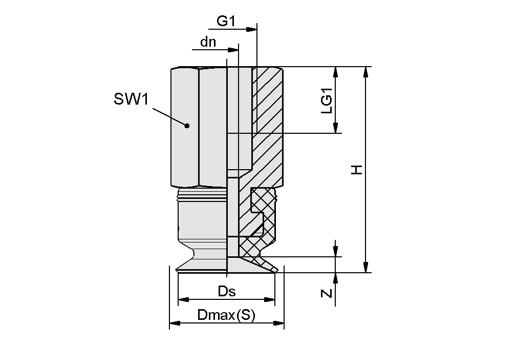
Design Data
Design Data

Attribute | Value |
---|---|
dn | 2 mm |
Dmax(S) | 9 mm |
Ds | 8 mm |
G1 | M5-F |
H | 17 mm |
LG1 | 5.5 mm |
SW1 | 8 mm |
Z (Stroke) | 1.3 mm |
Technical Data
Technical Data
Attribute | Value |
---|---|
Suction force (-600mbar) | 2.3 N |
Volume | 0.03 cm³ |
Workpiece radius min. (convex) | 10 mm |
Hose inner diameter (recom.) d | 2 mm |
Size | 8 |
Suction cup material | Fluorine rubber FPM |
Material hardness [Shore A] | 65 Shore A |
Weight | 1.5 g |
Product family | PFYN |
Number of folds | 0 |
CAD data
CAD data
Live CAD-Model easy-to-use
After clicking on the download button, you can download the CAD model in various file formats. If the preview is not displayed correctly on this page, please click on the "Reload" button.
Documentation
Documentation