Schmalz

Ordering information

The suction cup SFF / SFB1 (elastomer part + connection nipple) is supplied assembled.

 

Available spare parts: suction cup SFF / SFB1, connection nipple SC

Please try again later or contact your local contact person.

  • NEW

SFF 60 SI-55 G1/4-IG

Part no.: 10.01.01.15576

Flat suction cup (round) for dynamic handling of thin and flexible workpieces

Size60
Suction cup materialSilicone SI
Material hardness [Shore A]55 (Shore A)
Product familySFF
Design Data
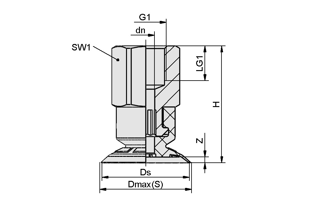
Design image
Attribute Value
Dmax(S) 64  mm
Ds 60  mm
dn 4  mm
G1 G1/4-IG
LG1 12  mm
H 46.5  mm
SW1 22  mm
Z (Stroke) 4  mm
Technical Data
Attribute Value
Pull-off force 90  N
Suction force (-600mbar) 90  N
Size 60
Number of folds 0
Suction cup material Silicone SI
Material hardness [Shore A] 55  Shore A
Product family SFF
Note: Suction force: The suction force values are theoretical values at -0.6 bar vacuum and a dry, smooth and even workpiece surface – they are specified without safety factors. Hose inner diameter: The recommended hose diameter refers to a hose length of approx. 2 m
CAD data

Live CAD-Model easy-to-use

After clicking on the download button, you can download the CAD model in various file formats. If the preview is not displayed correctly on this page, please click on the "Reload" button.

Documentation

Spare parts

Schmalz Companies

Select your Schmalz Company in one of the following regions:

Regions

Your region is not listed?

Schmalz maintains an international sales network with sales partners in over 80 countries. Please select a language for our international website.

The URL you are trying to access is not in the correct language or country context.

The store channel associated with your account does not match the channel of the requested URL. To view prices or place an order, please switch to your user-specific channel.

0 products successfully added to cart

Go to shopping cart