Schmalz

Consignes de commande

La ventouse SHFN (pièce en élastomère + insert de connexion) est livrée montée. Le produit consiste en :

  • Ventouse de type SHF – pièce en élastomère, disponible en différents diamètres
  • Insert de connexion de type SA-NIP – disponible en différents filetages
  • Eléments complémentaires en option : bague d’étanchéité et palpeur mécanique

 

Pièces de rechange disponibles : ventouse SHF, insert de connexion SA-NIP et RED-NIP, bague d’étanchéité, palpeur mécanique

Accessoires disponibles : tamis (rond)

Veuillez réessayer plus tard ou contacter votre personne de contact locale.

SHFN 85 NK-45 G1/4-AG MOS

Réf. article: 10.01.01.11777

Ventouse plate (ronde) pour la manipulation du bois à haute dynamique

Taille85
Matière de la ventouseCaoutchouc naturel NK
Dureté de la matière [Shore A]45 (Shore A)
Matière de l'insertAluminium
ConnexionG1/4-AG
Information sur le produit
Données de construction
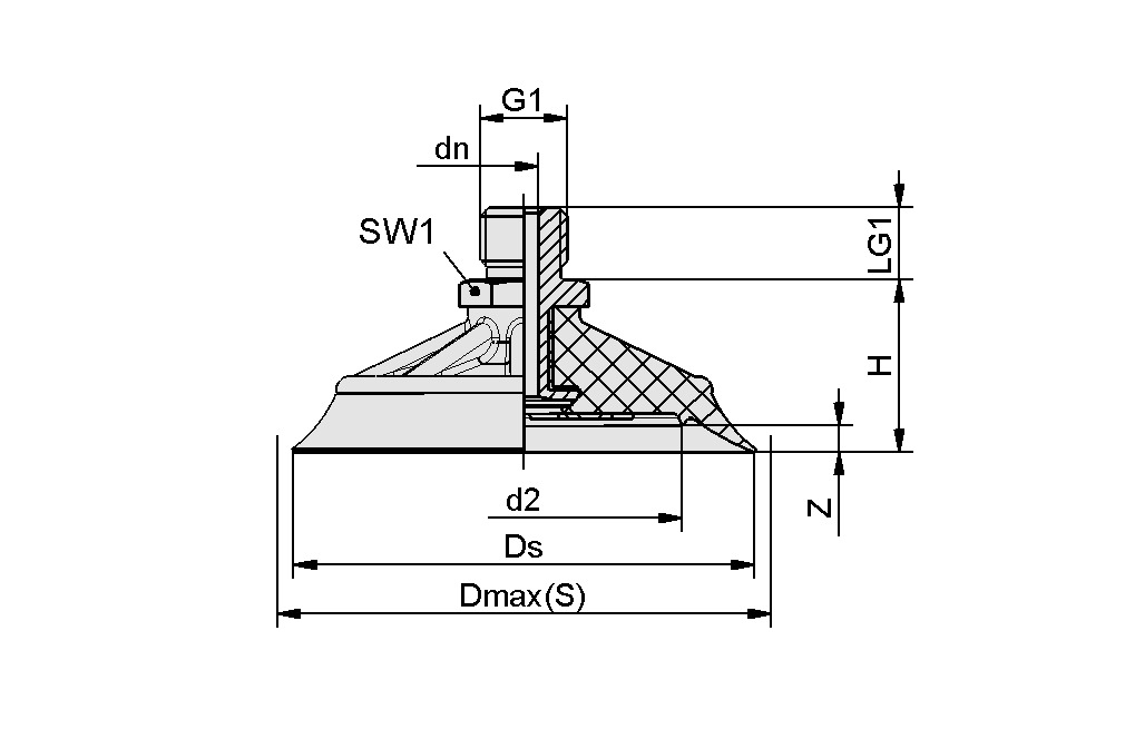
Design image
Attribut Valeur
d2 50  mm
dn 4,4  mm
Dmax(S) 89  mm
Ds 85  mm
G1 G1/4"-M
H 26,2  mm
LG1 11  mm
SW1 17  mm
Z (Allongement) 4  mm
Note : Tolérances dimensionnelles acceptables pour les pièces en élastomère selon la norme DIN ISO 3302-1 M3
Données techniques
Attribut Valeur
Taille 85
Matière de la ventouse Caoutchouc naturel NK
Force d'aspiration d2 175  N
Force d'aspiration (-600mbar) 300  N
Force latérale 210  N
Volume 20,8  cm³
Rayon min. de la pièce (convexe) 176  mm
Diamètre intérieur du tuyau (recommandé) d 6  mm
Nombre de soufflets 0
Poids propre 45,2  g
Famille de produits SHFN
Note : Force d'aspiration : Les forces d'aspiration indiquées sont des valeurs théoriques à un vide de -0,6 bar et avec une surface de pièce sèche, lisse et régulière - elles ne comprennent pas de facteur de sécurité Force d'arrachement : La force de rupture des modèles en caoutchouc naturel est réduite d'environ 40 % Diamètre du tuyau : Le diamètre de tuyau recommandé se réfère à une longueur de tuyau d'environ 2 m
Données CAO

Modèle CAO en direct facile à utiliser

Après avoir cliqué sur le bouton de téléchargement, vous pouvez télécharger le modèle CAO dans différents formats de fichiers. Si l'aperçu ne s'affiche pas correctement sur cette page, veuillez cliquer sur le bouton "Recharger".

Documentation

Pièces de rechange

Accessoires

Schmalz Companies

Select your Schmalz Company in one of the following regions:

Regions

Your region is not listed?

Schmalz maintains an international sales network with sales partners in over 80 countries. Please select a language for our international website.

L'URL à laquelle vous essayez d'accéder n'est pas dans la bonne langue ou le bon contexte national.

Le canal du magasin associé à votre compte ne correspond pas au canal de l'URL demandée. Pour consulter les prix ou passer une commande, veuillez passer au canal qui vous est propre.

Produit ajouté avec succès au panier

Aller au panier